HS型の特徴
●湿り気の多い蒸気が出て、和菓子・中華に最適です。
●スペースを取らない立型ガス蒸し器です。誰にでも簡単に使用でき、移動も容易で設置も簡単なコンパクトタイプです。
●すべてステンレスが用いられてますので、清潔感にあふれ衛生的です。
●小型ですが熱効率の高い高性能蒸し器です。
※ガスのご使用時は必ず換気をしてください。
※キャスター付はオプションです。
※空焚警報ブザーはオプションです。
※空焚警報ブザーはオプションです。
※蒸気切替コック付タイプもあります。
※空焚警報ブザーはオプションです。
H型の特徴
●湿り気の多い蒸気が出て、和菓子・中華に最適です。
●蒸しダイス(天板)はステンレス製です。
●スペースを取らない立型ガス蒸し器です。誰にでも簡単に使用でき、移動も容易で設置も簡単なコンパクトタイプです。
●小型ですが熱効率の高い高性能蒸し器です。
※ガスのご使用時は必ず換気をしてください。
(自動給水式)
(給水タンク式)
※写真はキャスター(オプション)付です。
※セイロ・セイロリフトは別売です。
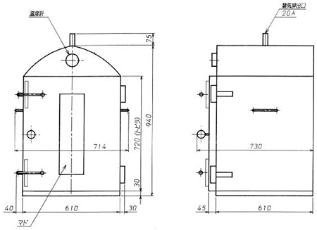
| H-14型 | |
能 力 | 尺3寸セイロ2枚位 |
| 給水取口径 | 1/2(15A) |
| 排水取口径 | 3/4吋(20A) |
| 燃 料 | LP 又は 都市ガス |
| 沸騰時間 | 15分 |
| 貯水量 | 12 リットル |
| 蒸しダイス | ステンレス430 5t×500×500 |
| バーナー | マッチ点火 12,000kcal/h |
| 蒸気発生量 | 12kg/h |
| 重 量 | 60kg |
| 蒸気圧 | 無圧式 |
(自動給水式)
※自動給水式・給水タンク式がございます。
※空焚警報ブザーはオプションです。
(自動給水式)
※自動給水式・給水タンク式がございます。
※蒸気切替コック付タイプもあります。
※空焚警報ブザーはオプションです。
※セイロ・セイロリフトは別売りです。
※蒸気切替コック付タイプもあります。
※空焚警報ブザーはオプションです。
※セイロリフトは別売りです。
※ラック・網は別売りです。
| 電源 | 蒸気入口 | 巾 | 奥行 | 高さ | 網 |
|---|---|---|---|---|---|
| 単相100V 0.2kW | 20A | 1,200 | 1,100 | 2,100 | 500角 12枚差し ピッチ80 |
■用途
●だんご・かしわ餅・大福・すあまなどの生地、パン湯種などの生地 の蒸し練りを同時に行う省力機です。
●短時間でむらなく仕上げますので、原料の風味を生かします。
●仕上がり生地の取り出しが楽です。
■使用例
(半袋用)だんご生地 上新粉10kg:水7~8リットル
1.タンクに水を入れてから粉を振り入れます
2.蒸気を通し、スイッチを入れてOKです。
| 型式 | 半袋用 | 1袋用 |
|---|---|---|
電 源 | 三相200v 0.75kw | 三相200v 1.5kw |
| 蒸気圧 | 0.5kg/㎠以下 | 0.5kg/㎠以下 |
| 能力 | 上新粉最大11kg | 上新粉最大22kg |
| 幅 | 900 | 1,050 |
| 奥 行 | 750 | 850 |
| 高 さ | 990 | 1,150 |
※外形寸法(単位:mm)
■特長
●求肥を作る場合、二重タンクに蒸気を入れながら、無理なく糖類を生地中に混ぜ合わせます。
●上フタにスライド窓をつけたので、生地温度を下げることなく糖類を混ぜ合わせます。
●バルブの開閉の組合わせにより、蒸気量をコントロールすることが出来ます。
●垂直、15°、30°とタンクが傾けられるので少量でも蒸練出来ます。また、生地を出すときは、タンクが転倒します。
■用途
●求肥・大福生地・上新粉生地・すあま・パン湯種 等
| 半袋用 | 1袋用 | |
電 源 | 三相200V 0.75kW | 三相200V 1.5kW |
| 能 力 | 上新粉 最大11kg | 上新粉 最大22kg |
| 蒸気圧 | 0.5kg/㎠以下 | 0.5kg/㎠以下 |
| 幅 | 1,010 | 1,200 |
| 奥 行 | 780 | 780 |
| 高 さ | 1,150 | 1,350 |
※外形寸法(単位:mm)
※煮豆カゴは別売りとなります。
※吊り上げ装置・温調ユニットはオプションです。
■造り方
●タイマースイッチON
・15分で1回目のシブ切り、コック流し
・13分で2回目のシブ切り、コック流し
・13分間とろ煮で
・25分で煮上がり
・10分むらして製餡機に送る
タイマーは、ブザーが知らせ、短時間で煮上がるため色焼けもなく、ワンタッチ作業式であるため、軽作業です。
出来上がりの小豆餡は、風味満点の赤紫色に仕上がります。
■用途
●大納言、小豆、大豆、そら豆など、あらゆる豆炊きに使用できます。(多少の寸法の変更あり)
| 1斗用 | 2斗用 | 4斗用 | |
| 幅 | 850 | 1,010 | 1,250 |
| 奥 行 | 730 | 720 | 960 |
| 高 さ | 1,400 | 1,550 | 1,900 |
※単相100v×150w
※煮豆カゴは別売りとなります。
※吊上げ装置はオプションです。
※ステンレスバーナーはオプションです。
■特長
●銅釜により、風味良く炊きあげます。
●ドレン抜きバルブの操作にて、排水が簡単に出来ます。
| 1斗用 | 2斗用 | |
ガス消費量 | 30,000kcal/h | 40,000kcal/h |
| 能 力 | 小豆1斗用(15kg) | 小豆2斗用(30kg) |
| 釜容量 | 120L | 240L |
| 幅 | 750 | 850 |
| 奥 行 | 920 | 1,010 |
| 高 さ | 1,000 | 1,250 |
※ステンレス水槽・ポンプ・ホース2本付。
■特長
●コンパクトな設計ですので無駄なスペースを取りません。
●製餡用ポンプを標準セットしていますので、小豆や豆汁(ゴ)の移送が簡単です。
●ステンレス製の水槽を使用しています。水切りパイプで簡単にうわ水を排水できます。
■用途
こしあん
| 製餡プラント | 1斗用 | 2斗用 | 4斗用 |
|---|---|---|---|
電 源 | 三相200V 0.8kw | 三相200V 0.8kw | 三相200V 0.8kw |
| 能 力 | 小豆 15kg | 小豆 30kg | 小豆 60kg |
| タンク水容量 | 250L | 400L | 750L |
| 幅 | 950 | 1,120 | 1,400 |
| 奥 行 | 1,200 | 1,200 | 1,200 |
| 高 さ | 1,580 | 1,660 | 1,630 |
※外形寸法(単位:mm)
※ホース3本・白サンタル付
※タル用のキャスターはオプションです。
(写真はキャスター付です。)
■特長
●漉し網は丸ストレーナー式なので皮が生餡に入りません。
●また、二度漉しの必要がなく、ゴと皮はきれいにわかれます。
●製餡ポンプ付ですので、小豆の吸い出しが簡単にできます。
●キャスター付なので機械の出し入れが簡単です。
■用途
こしあん
電 源 | 200V 0.8kw |
|---|---|
| 幅 | 1,155 |
| 奥 行 | 650 |
| 高 さ | 1,230 |
※外形寸法(単位:mm)

※白サンタル付
■用途
こしあん
電 源 | 200V 0.4kw |
|---|---|
| 幅 | 1,155 |
| 奥 行 | 450 |
| 高 さ | 1,200 |
電 源 | 100V / 200V 0.2kw |
|---|---|
| 幅 | 1,000 |
| 奥 行 | 540 |
| 高 さ | 1,200 |
※製造を中止しております。
※外形寸法(単位:mm)
※ステンレス製パンチングカゴ付です。
■特長
●スイッチを入れると徐々に加圧されます。
●設定圧力に達すると自動的に止まります。
●圧力が下がると自動的にスイッチが入り、再び加圧されます。
●ベース、フレーム、カゴ共ステンレス製ですから、衛生的です。
| 1斗用 | 2斗用 | |
| 電 源 | 単相100V 0.3kw | 三相200V 0.75kw |
加圧能力 | 150kg/cm2 (ゲージ指針) | 150kg/cm2 |
| ストローク | 200mm | 200mm |
| カゴ容量 | 45L | 90L |
| 幅 | 790 | 1,070 |
| 奥 行 | 550 | 700 |
| 高 さ | 1,300 | 1,350 |
※木桶は販売中止です。
※木桶の代替えはステン桶になります。
(別売り)
| 幅 | 520 |
|---|---|
| 奥行 | 400 |
| 高さ | 1,060 |
| 銅サワリ | 1尺8寸 | 2尺 | 2尺2寸 |
|---|---|---|---|
| 銅サワリ直径 | φ540 | φ600 | φ660 |
| 水量 | 39L | 54L | 73L |
| 電源 | 三相200V 0.2kW | 三相200V 0.4kW | 三相200V 0.4kW |
| ガス消費量 | 13,000kcal/h | 16,000kcal/h | 20,000kcal/h |
| 幅 | 850 | 900 | 960 |
| 奥 行 | 1,040 | 1,090 | 1,140 |
| 高 さ | 1,700 | 1,700 | 1,700 |
| 銅サワリ | 2尺 | 2尺2寸 |
|---|---|---|
| 銅サワリ直径 | φ600 | φ660 |
| 水量 | 54L | 73L |
| 電源 | 三相200V 0.4kW | 三相200V 0.4kW |
| ガス消費量 | 16,000kcal/h | 20,000kcal/h |
| 幅 | 1,000 | 1,060 |
| 奥 行 | 830 | 900 |
| 高 さ | 1,500 | 1,500 |
| 銅サワリ | 1尺8寸 | 2尺 | 2尺2寸 |
|---|---|---|---|
| 銅サワリ直径 | φ540 | φ600 | φ660 |
| 水量 | 39L | 54L | 73L |
| 電源 | 三相200V 0.2kW | 三相200V 0.2kW | 三相200V 0.4kW |
| ガス消費量 | 13,000kcal/h | 16,000kcal/h | 20,000kcal/h |
| 幅 | 640 | 700 | 760 |
| 奥 行 | 880 | 920 | 1,040 |
| 高 さ | 1,380 | 1,380 | 1,430 |
■蒸しくん・スチームクリーナーの特長
●湿った蒸気(低圧(大気圧に近い圧力)低温(100℃に近い温度)で水滴や水が混入しない状態の蒸気)を作り出しますので、理想的な蒸し加工ができます。
●蒸し器から来る蒸気を低圧にしても、蒸し器缶水の水滴や配管途中の放熱によるドレン水や、 高温の蒸気(焼けをおこす蒸気)が一部混入することがあります。 この蒸気をスチームクリーナーを通すことによりきれいで良質な湿った蒸気に変えます。
■特徴
●固液分離が連続に行えます。
・入口ホッパー部より原料を投入しますと、内部を回転するブレード(ブラシ)でスクリーンに原料を押し付け、連続的に液体と固体に分離します。
●高い分離性を実現します。
・スクリーンによる固液分離の為、あらゆる目的に合わせスクリーンメッシュを選定する事により、高いクオリティーの固液分離を行います。
●簡単に洗浄が行えます。
・置蓋式カバーは簡単に取り外す事が出来ます。また、スクリーン部は2ツ割構造で、落下防止機能を装着しており簡単に取り外す事が出来ますので機内の洗浄が簡単に行えます。
■用 途
・ソース類の裏漉(固液分離)
・スープの荒裏漉
・ドレッシングの裏漉
・トマト・イチゴ 等の軟質原料の裏漉
| 電 源 | 三相 200V 0.75kw |
|---|---|
寸 法 | 450×1,150×1,250H |
ストレーナー | パンチング φ1.5 金網メッシュ♯50~80 |
■特徴
・グリップ ライナー「Grip Liner 」
・左右固定搬送機方式
・製作工程の簡素化・部品点数の最小化・部品の規格化・余分な機能を全て排除 の成功により、安価を実現しました。
・丸いもの・四角いもの・倒れやすいもの・細いもの・軽いものなどを、倒しないよう、落下しないよう、転がらないよう、挟んだまま搬送します。
・立体ベルトコンベアーによる搬送方式で、挟んだまま定位置固定搬送致します。
・インクジエット用として
「ボトム・上方・横方向の印字が可能」
・トレー内商品の異物検査用として
「上方向からカメラ検査用として」
・点検用として
・ペットボトル、ガラス瓶、紙パック、カートンボックス等の食品・化粧品・化学品・医薬品の容器。
食品トレー、発泡スチロール等の搬送・検査・印字に最適
・各メーカーのインクジエット機に対応できます。
※6取 12段×24枚差し ピッチ90
6取 10段×20枚差し ピッチ120
※6取 12段×12枚差し ピッチ90
6取 10段×10枚差し ピッチ120
| 巾 | 1,720 |
|---|---|
奥行 | 820 |
高さ | 800 |